Колымо-Индигирский авиаотряд

Авиация заполярья - авиабазы, авиаотряды, аэропорты и пр.
Изображение
31 июля 2012 года исключен из Регистровой книги судов и готовится к утилизации атомный ледокол «Арктика».
Стоимость проекта уничтожения "Арктики" оценивается почти в два миллиарда рублей.
Мы выступаем с немыслимой для любого бюрократа идеей:
потратить эти деньги не на распиливание «Арктики», а на её сохранение в качестве музея.

Мы собираем подписи тех, кто знает «Арктику» и гордится ею.
Мы собираем голоса тех, кто не знает «Арктику», но хочет на ней побывать.
Мы собираем Ваши голоса:
http://arktika.polarpost.ru

Изображение Livejournal
Изображение Twitter
Изображение Facebook
Изображение группа "В контакте"
Изображение "Одноклассники"

Колымо-Индигирский авиаотряд

Сообщение Александр Кот » 11 Сентябрь 2012 19:35

 Ил-14 СССР-61795, Черский, июль 1992г.jpg

Эта же свалка, Ил-14 СССР-61795 (c/н 147001624), 5 июля 1992 года.
"Споттерский тур 1992 года" http://www.flickr.com/photos/pslg05896/ ... otostream/
Александр Кот
Редактор
Редактор
 
Сообщения: 625
Зарегистрирован: 01 Январь 1970 03:00

Колымо-Индигирский авиаотряд

Сообщение Александр Кот » 07 Ноябрь 2012 18:31

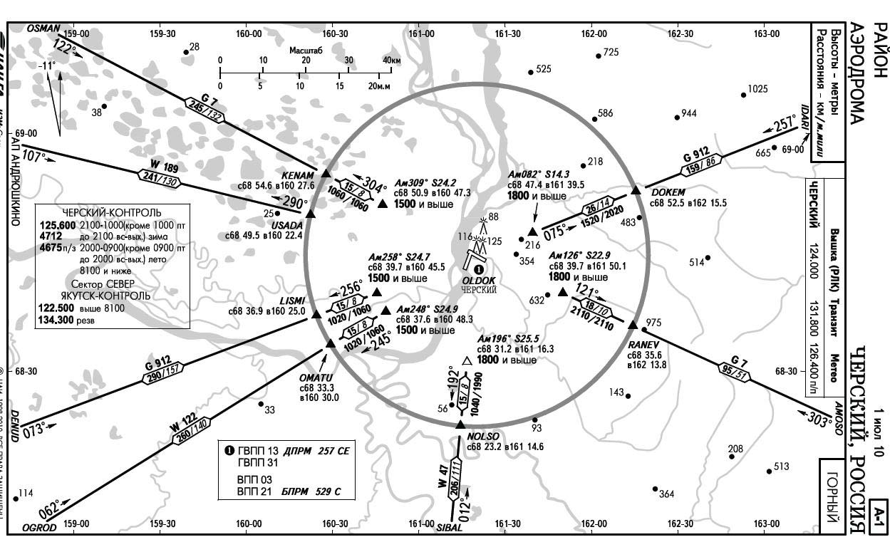
 Аэродром Черский.jpg
Аэронавигационная информация аэропорта Черский

 Руление - Стоянка.jpg
 Черский вышка.jpg
Александр Кот
Редактор
Редактор
 
Сообщения: 625
Зарегистрирован: 01 Январь 1970 03:00

Колымо-Индигирский авиаотряд

Сообщение Алексей Курило » 10 Декабрь 2012 11:02

Сегодня после многолетнего перерыва аэропорт "Черский" вновь принял самолёт Ан-74.

 Ан-74 в Черском2.jpg
 Ан-74 в Черском1.jpg
 на рулёжке.jpg
Алексей Курило
 
Сообщения: 28
Зарегистрирован: 24 Июнь 2009 04:43

Колымо-Индигирский авиаотряд

Сообщение Алексей Курило » 26 Февраль 2013 11:20

 Бомбардье в Черском.jpg
Bombardier Dash 8 Q400 прилетел 26 февраля в Черский.
Алексей Курило
 
Сообщения: 28
Зарегистрирован: 24 Июнь 2009 04:43

Колымо-Индигирский авиаотряд

Сообщение Василий Гоголев » 26 Февраль 2013 11:37

Алексей Курило, спасибо!
Василий Гоголев
Редактор
Редактор
 
Сообщения: 376
Зарегистрирован: 20 Май 2008 10:28

Колымо-Индигирский авиаотряд

Сообщение UATRI » 30 Март 2013 19:20

Из "Одноклассников".
Взято здесь: http://www.odnoklassniki.ru/chersky/alb ... 3324323026
 getImage9.jpeg

Подписи под снимком нет.
Стоянка лыжных Ан-2 на Колыме, на форватере Пантелеихи.
На промерзшей до дна отмели - стоянка Ан-12. Примерно середина 80-х.
 getImage10.jpeg

Подпись под снимком:
"Фото Алексея Луговских
добавлена 11 дек 2012 в альбом ​Полярная авиация"
 getImage11.jpeg

Подпись под снимком:
"ИЛ-18" на "космодроме", (зимняя взлетно-посадочная полоса на Колыме, выше устья р. Пантелеиха). пос. Черский, начало 70-х
добавлена 29 янв 2010 в альбом ​Полярная авиация"
Аватара пользователя
UATRI
Редактор
Редактор
 
Сообщения: 231
Зарегистрирован: 17 Февраль 2009 17:09
Откуда: Иваново-Вознесенск

Колымо-Индигирский авиаотряд

Сообщение Адольф Милованов » 20 Апрель 2013 12:40

 Май 1977. Е.К. Фёдоров.jpg
Колымо-Индигирский объединённый авиаотряд в Черском в прошлом занимал лидирующее положение в Восточном секторе Арктики. Он ещё раньше, под другим названием включал в себя почти все порты и площадки севера Якутии и Чукотки. И естественно, сюда прилетали многие известные, не только в нашей стране, люди…
В мае 1977 года сюда прилетал участник СП-1 Герой Советского Союза Фёдоров Е.К.
В память об этом событии остались фото. Одно из них на перроне аэродрома Черский с руководством: слева к-р КИ ОАО Перин П.С., замполит Е.П. Федорченко, председатель Нижнеколымского райисполкома Н.И. Таврат, Е.К. Фёдоров, к-р 248 ЛО Цоун В.И и 1-й секретарь райкома КПСС А.Г. Чикачёв.
Аватара пользователя
Адольф Милованов
Редактор
Редактор
 
Сообщения: 1395
Зарегистрирован: 10 Март 2012 20:29
Откуда: Москва

Колымо-Индигирский авиаотряд

Сообщение Адольф Милованов » 20 Апрель 2013 13:09

К-р отряда вручает Ляпидевскому А.В. Памятную медаль "Ветеран авиации Арктики". Сидят впереди А.Г. Чикачёв, Дауров В. Сзади Таврат Н.И., Андреева И.М, ... , Абраменко В.В. : Ляпидевский 2.jpg
В верхнем ряду второй слева Ю.И. Клепиков. Далее справа рядом с ним к-р 248 ЛО Цоун В.И, к-р КИ ОАО Перин П.С, секретарь парткома КИ ОАО (а ранее работал РП СД) Абраменко В.В, Резанов В.Л, Пестов В.В.- к-р АЭ, Максимов И.В.<br />Сидят слева на право: второй, по-моему Покаташкин В.Ф, далее Соколов А.М, ... : Ляпидевский 1.jpg
Выступает за трибуной Ляпидевский Анатолий Васильевич - Герой Советского Союза (медаль №1). Сидят: слева Чикачёв Алексей Гаврилович - первый секретарь Нижне-Колымского РК КПСС; рядом Перин Павел Сергеевич - командир Колымо-Индигирского ОАО : Ляпидевский 3.jpg
Автограф на память : Ляпидевский 4.jpg
В 1979 году был Первый Герой Советского Союза (медаль №1) Ляпидевский Анатолий Васильевич. Встречался с коллективом КИ ОАО. Оставил о себе очень приятные и незабываемые впечатления. Все фото Марины Савиновской (Периной).
Аватара пользователя
Адольф Милованов
Редактор
Редактор
 
Сообщения: 1395
Зарегистрирован: 10 Март 2012 20:29
Откуда: Москва

Колымо-Индигирский авиаотряд

Сообщение Алексей Курило » 22 Май 2013 22:37

 Ми-26.jpg
 Ми-26 МЧС России в Черском.jpg
В полночь 22 мая в Черский прилетел вертолёт Ми-26 с группой сотрудников Управления МЧС России по РС(Я).
Алексей Курило
 
Сообщения: 28
Зарегистрирован: 24 Июнь 2009 04:43

Колымо-Индигирский авиаотряд

Сообщение Алексей Курило » 01 Август 2013 11:02

30 июля на Нижней Колыме побывала вертолётная экспедиция "Россия 360"
 Прилетит вдруг волшебник.jpg
 а.jpg
 б.jpg
 в.jpg
Алексей Курило
 
Сообщения: 28
Зарегистрирован: 24 Июнь 2009 04:43

Колымо-Индигирский авиаотряд

Сообщение Алексей Курило » 14 Август 2013 12:14

14 августа в Черском пролётом были Сергей Анциферов и Михаил Бабаян, а прилетали они вот на чём:
Вложения
 Двойная выдра в Черском.jpg
Алексей Курило
 
Сообщения: 28
Зарегистрирован: 24 Июнь 2009 04:43

Колымо-Индигирский авиаотряд

Сообщение Василий Гоголев » 15 Август 2013 03:48

Спасибо, Алексей. Интересная машина - регистрация канадская, а флаг российский.
Куда направляются?
Василий Гоголев
Редактор
Редактор
 
Сообщения: 376
Зарегистрирован: 20 Май 2008 10:28

Колымо-Индигирский авиаотряд

Сообщение Алексей Курило » 15 Август 2013 04:55

Вроде на МАКС-2013
Алексей Курило
 
Сообщения: 28
Зарегистрирован: 24 Июнь 2009 04:43

Колымо-Индигирский авиаотряд

Сообщение UATRI » 07 Октябрь 2013 13:14

Отличный снимок а/д Черский со стороны Колымы.
 getImage.jpeg

Потерял данные по снимку. Вставлю их позже.
Аватара пользователя
UATRI
Редактор
Редактор
 
Сообщения: 231
Зарегистрирован: 17 Февраль 2009 17:09
Откуда: Иваново-Вознесенск

Колымо-Индигирский авиаотряд

Сообщение Алексей Курило » 05 Март 2014 03:01

"Почта России" в Якутии сейчас эксплуатирует два Л-410, один из них был в Черском 4 марта.
Вложения
 Почтовый.jpg
Алексей Курило
 
Сообщения: 28
Зарегистрирован: 24 Июнь 2009 04:43

Пред.След.

Вернуться в Авиабаза



Кто сейчас на конференции

Сейчас этот форум просматривают: нет зарегистрированных пользователей и гости: 0

Керамическая плитка Нижний НовгородПластиковые ПВХ панели Нижний НовгородБиотуалеты Нижний НовгородМинеральные удобрения